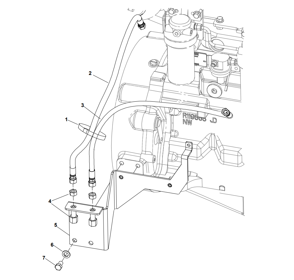
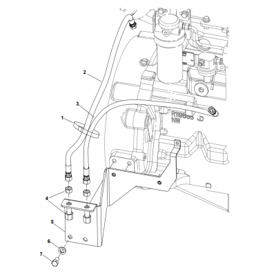
REF PART QTY PART REF PART QTY PART NO. NO. USED DESCRIPTION NO. NO. USED DESCRIPTION 1 332?0941 1 Clamp, Tie 2 503?2495 1 Hose, Fuel 3 503?2494 1 Hose, Fuel 4 505?1489 2 Connector, Fem Bulkhead 5 123?2243?03 1 Bracket, Crank Vent 6 526?0399?64 2 Washer, Flat (M12) 7 800?3017?52 2 Screw, Hex Head (M12 x 1.75 x 20mm)
